找回密碼
 注册
搜索
熱搜: 活动 交友 discuz
查看: 1582|回復: 0

有问题请教各位老师解答

[複製鏈接]
發表於 2008-10-11 18:44:10 | 顯示全部樓層 |閱讀模式
我有以下问题烦请各位老师解答:

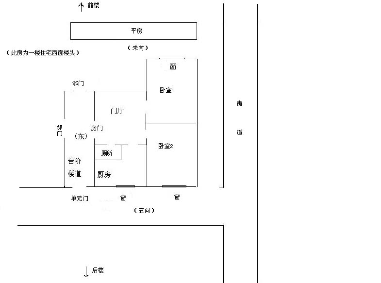
失运的双星到向或到山需要化解吗?如七运丑山未向,向方为774,在八运时此飞星组合是否需化解?怎样化解?(此向方有窗,几步远的前面有一平房阻挡,旁边是一条同山向一致的街道,前面几乎没有多大空间)
今年年星一白入中,七赤又飞临向方,是否不吉利?
可以用水如鱼缸化解吗?我想,水能泄掉金气,但是又觉得向星7本就失运了,在此处置水不更助其退运了吗?

再有,当令向方有水为吉,若八白星到向,向方可布置鱼缸等水动装置,可以催财,那会不会存在水与八白土相克的问题呢?
發表於 2008-10-11 23:35:15 | 顯示全部樓層
原帖由 shengyu 於 2008-10-11 06:44 PM 發表。
七运丑山未向,向方为774,在八运时此飞星组合是否需化解?

如果是指此局八運仍旺!
重點是未向前或未方有水嗎???
我前面一再重申巒頭和理氣並重!光看星盤是毫無作用的!
有那一星盤沒有退氣或凶星??
氣附於形,星無體不現!就像靈氣附身般!星氣要有才有作用吉凶都是如此
回復

使用道具 舉報

 樓主| 發表於 2008-10-12 15:03:06 | 顯示全部樓層
感谢小楼版主!
为了更明确些,我还是发个图上来,帮我分析一下。同时请关照我的问题。

另外,我以整个楼主体坐向为此房坐向,没有错误吧?


房屋结构.jpg
回復

使用道具 舉報

發表於 2008-10-12 23:38:45 | 顯示全部樓層
如果客廳沒落地窗和陽台以門為向!這是我的用法
回復

使用道具 舉報

 樓主| 發表於 2008-10-13 15:55:43 | 顯示全部樓層
这种楼建得较早,门厅小,能站下五六个人就比较挤了,谈不上客厅,只能放鞋架、小柜子之类,再摆上洗衣机、冰箱就没有多少空间了,没有阳台也没有落地窗。两个卧室的窗户和厨房的窗都没有阳台。

关于立向,我所知道的是,1-3层楼房依主体楼坐向为坐向。而且强调以阳论向和采光最大的一面为向,因为窗户直接受纳自然之气,而门虽设却常关,也就是说不看重门向,门只不过是个气口而已。

我也看了一些资料,立向说法都有些出入,本论坛观点也不统一嘛,各家各派都按自己的逻辑办事,好像都没什么问题。我也疑惑,总有真有伪吧,要是都对,就等同于都不对,那风水学还有什么意义了?

这间房南面卧室属阳面,主体楼应该是坐丑向未,因为丑一面后边有山,此楼实际在山脚下。若按采光,本房当然阳面采光强。

楼房可以阳台为向方,阳台一定是客厅的阳台吗?如果客厅很小,但有阳台或落地窗,也是这样论吗?

若卧室1有阳台,是否就以未为向,卧室2有阳台或厨房有阳台是否就以丑为向?如果前后窗户都带阳台该如何论?另外,可否以窗户多的一面为向?

以上还望小楼版主指教。


[ 本帖最後由 shengyu 於 2008-10-13 03:57 PM 編輯 ]
回復

使用道具 舉報

發表於 2008-10-14 01:32:10 | 顯示全部樓層
原帖由 shengyu 於 2008-10-13 03:55 PM 發表。
我也看了一些资料,立向说法都有些出入,本论坛观点也不统一嘛,各家各派都按自己的逻辑办事,好像都没什么问题。我也疑惑,总有真有伪吧,要是都对,就等同于都不对,那风水学还有什么意义了?

这间房南面卧室属阳面,主体楼应该是坐丑向未,因为丑一面后边有山,此楼实际在山脚下。若按采光,本房当然阳面采光强。


楼房可以阳台为向方,阳台一定是客厅的阳台吗?如果客厅很小,但有阳台或落地窗,也是这样论吗?

若卧室1有阳台,是否就以未为向,卧室2有阳台或厨房有阳台是否就以丑为向?如果前后窗户都带阳台该如何论?另外,可否以窗户多的一面为向?

以上还望小楼版主指教。

顯然兄入本論壇時間未深,學習用「門派比較法」一輩子也找不到答案!
請問如果以上問題我都依我所學告訴你,你就能得到你心中答案嗎???
答案是否定的!
一切都要從原理開始!甚至最基本的陰陽著手!

1.何謂「坐向」坐向的功用是啥???
不知此理....才會有立向疑問
2.何謂明堂聚氣,這是有無陽台的差異
3.你家對家如果也用向陽定向,坐向一樣相同?星盤不就相同?吉凶會同嗎?
4.客廳直接接門氣才入室內迥風轉氣再依動線入房你說有無功用?
5.一屋多向的房子不存在嗎?想想看
難道大型商場四面有路四面開門開陽是以「造型門面」立向???
6.卧室有陽台,當然最直接影響該房!還要和房門做比較.........
.......................
再次真誠提醒用飛星盤的朋友!
陽宅用一盤到底,這不是吃到飽,會誤人的!不如看八字比較快!!!
...............
我猜兄下一個問題應是「中宮立極」的問題......

再再一次提醒用一盤套在全户中宮立極,除非是單一空間尚可参考
不然誤打誤撞更是害人!.............淺見
回復

使用道具 舉報

發表於 2008-10-14 21:04:47 | 顯示全部樓層
<b>原帖由 <i>小樓</i> 於 2008-10-14 01:32 AM 發表。 </b><a href="https://forum.shusquare.com/forum.php?mod=viewthread&tid=73697&page=1#pid649940" target="_blank"><img src="https://forum.shusquare.com/images/common/back.gif" border="0" onload="if(this.width>screen.width*0.7) {this.resized=true; this.width=screen.width*0.7; this.style.cursor='hand'; this.alt='Click here to open new window\nCTRL+Mouse wheel to zoom in/out';}" onmouseover="if(this.width>screen.width*0.7) {this.resized=true; this.width=screen.width*0.7; this.style.cursor='hand'; this.alt='Click here to open new window\nCTRL+Mouse wheel to zoom in/out';}" onclick="if(!this.resized) {return true;} else {window.open('https://forum.shusquare.com/images/common/back.gif');}" onmousewheel="return imgzoom(this);" alt="" /></a><br />

<br />
顯然兄入本論壇時間未深,學習用「門派比較法」一輩子也找不到答案!<br />
請問如果以上問題我都依我所學告訴你,你就能得到你心中答案嗎???<br />
答案是否定的!<br />
一切都要從原理開始!甚至最基本的陰陽著手!<br />
<br />
1.何謂 ...
<br />


版主的话很是点醒人!
我也是新人,和楼主有一样的疑问,现在也面临这样的问题。
关于小楼版主提的几个问题能再给出答案和说明吗,我现在感觉好像抓住点什么又不清晰不具体……
回復

使用道具 舉報

發表於 2008-10-14 21:48:14 | 顯示全部樓層
路..............
回復

使用道具 舉報

發表於 2008-10-14 22:07:21 | 顯示全部樓層
說明一點...不是普通的路...要當自已的眼是風.....有如摩天大廈4面也是窗....又如監獄4面無窗.....意會那是坐方才行......門可左可右可前可後.....
回復

使用道具 舉報

發表於 2008-10-14 23:33:28 | 顯示全部樓層
路氣是外局
現習陽宅者多半只重內局,甚至內外局都分不清!
還有坐向性和宮(卦)位的觀念和功能也搞不清,怎能正確運用!?!?......哎
.........
.......淺見
回復

使用道具 舉報

發表於 2008-10-15 00:19:35 | 顯示全部樓層
所以才說不是普通的路......不能以眼為風.找不到坐方.就不能進步........ 太多人重門重窗.以忘了重點是坐方在那了
回復

使用道具 舉報

發表於 2008-10-15 21:43:44 | 顯示全部樓層

恳请各位前辈明示!
越来越糊涂了……或者能否推荐些入门读物,谢谢各位!
回復

使用道具 舉報

 樓主| 發表於 2008-10-17 09:42:44 | 顯示全部樓層
回复小楼版主:
我的对门以阳定向,坐向相同,但是房屋布局不同,当然有差别;而我的楼上各家则与我的住房门向、房屋结构完全相同,无论以阳定向还是以门定向,却都是一样的。


关于一屋多向的房子,我说不太清楚。就一个单元住宅,如果多向,又怎么确定八宫?无论如何得把房屋的总体坐向确定下来才可以吧,可以不顾全局各个房间各自为政吗?如果是商场,各铺面、门市应各有坐向。
中宫立极的确是一个问题,就某个单元住宅而言,立极点难道不是在全户中宮吗?

立向应以房屋收纳自然之气多的一面而定,从本质上讲,依据什么?是进气还是见光?有窗户可能经常不开,只见光少进气,门虽进气但是不常开。这个问题也许很幼稚。

按我的理解,风水派别的存在是客观的,但是其基本原理应是相同的,就立向而言,应是原则问题,立向不同,结果不同,吉凶自然会不同,所以不管什么派别,一定要有一致的观点才行的,观点不同,一定是有对有错的。
立向问题搞不清楚,什么都不敢做了,也没法做了。请再释疑。
回復

使用道具 舉報

發表於 2008-10-17 22:28:31 | 顯示全部樓層
(愚人以天地文理聖,我以時物文理哲)....古人也說不要呆讀...找多點案例以物理哲...
回復

使用道具 舉報

發表於 2008-10-18 04:01:27 | 顯示全部樓層
原帖由 shengyu 於 2008-10-17 09:42 AM 發表。
回复小楼版主:
我的对门以阳定向,坐向相同,但是房屋布局不同,当然有差别;而我的楼上各家则与我的住房门向、房屋结构完全相同,无论以阳定向还是以门定向,却都是一样的。


关于一屋多向的房子,我说不太清楚。就一个单元住宅,如果多向,又怎么确定八宫?无论如何得把房屋的总体坐向确定下来才可以吧,可以不顾全局各个房间各自为政吗?如果是商场,各铺面、门市应各有坐向。
中宫立极的确是一个问题,就某个单元住宅而言,立极点难道不是在全户中宮吗?

立向应以房屋收纳自然之气多的一面而定,从本质上讲,依据什么?是进气还是见光?有窗户可能经常不开,只见光少进气,门虽进气但是不常开。这个问题也许很幼稚。

按我的理解,风水派别的存在是客观的,但是其基本原理应是相同的,就立向而言,应是原则问题,立向不同,结果不同,吉凶自然会不同,所以不管什么派别,一定要有一致的观点才行的,观点不同,一定是有对有错的。
立向问题搞不清楚,什么都不敢做了,也没法做了。请再释疑。


所以我希望的是兄多思考和領悟!
我前而己把方向重點寫出了!

立極的涵意也要弄清!何謂立極之氣立極點二者那裏不同???
再說一次坐向的功用和宮位是不同的!那裏不同????中宮立極是個空間太極請問坐向在那?
陰宅立極點在那?作用在那?有個固定空間讓你中宮立極嗎?龍坐向水在說什麼?
陽宅你會永遠待在中宮的立極點嗎?那中宮立極的涵意為何?
陰陽二宅差別就是後者雖然原理是相同的...
回復

使用道具 舉報

手機版|小黑屋|術數縱橫

GMT+8, 2025-10-2 04:56 PM , Processed in 0.055217 second(s), 17 queries .

Powered by Discuz! X3.5

© 2001-2025 Discuz! Team.

快速回復 返回頂部 返回列表